
MW04系列吊運單張鋼板 長鋼板電磁鐵
吊運鋼板用起重電磁鐵MW04小直徑系列圓形電磁鐵
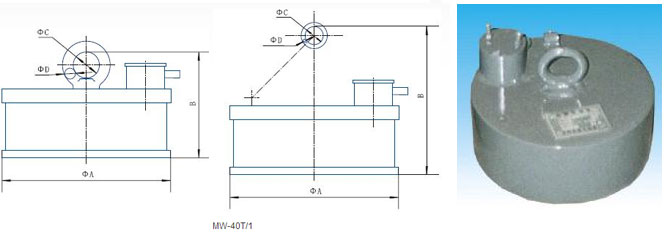
產品簡介:小直徑圓形電磁鐵適用于吊運單張薄鋼板 長鋼板。適用于薄板的壓力加工及制罐等二次加工產品的搬運整理。對剪板機進行輸送輔助作業 以及焊接作業。也可作為機械上的電磁夾手,用來抓住小物件。選型時請注意鋼板的厚度 寬度 長度重量等差數。
產品參數(相關尺寸及數據僅供參考,以實際設計方案為準)
常溫型主要技術參數(額定電壓DC-110V,通電持續率TD-60%)
產品簡介:小直徑圓形電磁鐵適用于吊運單張薄鋼板 長鋼板。適用于薄板的壓力加工及制罐等二次加工產品的搬運整理。對剪板機進行輸送輔助作業 以及焊接作業。也可作為機械上的電磁夾手,用來抓住小物件。選型時請注意鋼板的厚度 寬度 長度重量等差數。

產品參數(相關尺寸及數據僅供參考,以實際設計方案為準)
常溫型主要技術參數(額定電壓DC-110V,通電持續率TD-60%)
分享到: